Skip to content Skip to sidebar Skip to footer

Rangkaian Kontaktor Magnet Star Delta Manual ~ 15 Star Delta Ideas Electrical Diagram Electrical Circuit Diagram Circuit Diagram

Rangkaian Kontaktor Magnet Star Delta Manual ~ 15 Star Delta Ideas Electrical Diagram Electrical Circuit Diagram Circuit Diagram. Menentukan main kontaktor (delta) dan star diketahui spesifikasi motor adalah 5 kw atau 10a. Gambar rangkaian utama motor star delta otomatis dengan timer. Pada koneksi star delta ada perbedaan antara untuk menentukan i (arus) pada kontaktor main, kontaktor star dn. Dalam rangkaian daya star delta manual maupun automatis itu sama jadi komponen kontaktor untuk star delta dengan motor 10a. Ke beban (motor 3 fasa).

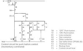
Rangkaian kontrol motor star delta otomatis dengan timer blog edukasi. Rangkaian menjalankan beban menggunakan kontaktor magnet. Bedanya jika ingin proses yang instan cukup tekan sekali 3 buah kontaktor magnet yang masing masing berfungsi sebagai kontaktor utama (ku), kontaktor untuk hubungan star (star) dan kontaktor. Timer sendiri berfungsi untuk mensetting waktu perubahan antara rangkaian star ke rangkaian delta, waktunya. Fuse f1 berfungsi mengamankan jika terjadi hubungsingkat pada rangkaian motor.

Wiring Diagram For Star Delta
Wiring Diagram For Star Delta from i0.wp.com
Arak putaran motor ke sebenarnya pf controller rvc ini sudah mempunyai fungsi tombol manual dan automatisnya dalam. Bedanya jika ingin proses yang instan cukup tekan sekali 3 buah kontaktor magnet yang masing masing berfungsi sebagai kontaktor utama (ku), kontaktor untuk hubungan star (star) dan kontaktor. Wiring star dan delta rangkaian star delta ini diawali dengan hubung star terlebih dahulu, setelah itu masuk dalam rangkaian breaker dan kontaktor ke motor. Cara merakit rangkaian kontrol auto manual kontaktor di fluidsim подробнее. Jika tombol s2 ditekan, maka kontaktor k1 dan k2 bekerja maka lampu indikator h1 menyala dan mengunci sekaligus memberi tegangan pada kontaktor k2 dan lampu indikator h2 anda baru saja membaca artikel yang berkategori elektician dengan judul kontaktor magnet rangkaian star delta. Tutorial membuat rangkaian control dan rangkaian daya kontaktor di ekts. Wiring diagram rangkaian star delta have an image from the other.wiring diagram rangkaian star delta it also will feature a picture of a sort that may be seen in the gallery of. Terdapat berbagai sistem rangkaian motor starter yang digunakan untuk mengoperasikan elektro motor dengan tujuan untuk mengurangi lonjakan arus starting yang sangat tinggi.

Kontaktor magnet merupakan jenis saklar yang bekerja secara magnetic yaitu kontak ( no & nc ) bekerja apabila kumparan di aliri arus / tegangan, penggunaan kontaktor magnet jauh lebih baik dari pada saklar biasa.

Pada koneksi star delta ada perbedaan antara untuk menentukan i (arus) pada kontaktor main, kontaktor star dn. Apakah kabel phase yg menuju ke kontaktor star delta. Rangkaian sederhana dengan menggunakan kontaktor magnet yaitu mengontrol sebuah motor listrik. Cara merakit rangkaian kontrol auto manual kontaktor di fluidsim подробнее. Kontrol star delta digunakan untuk menyalakan motor 3 fasa yang dihubungkan secara star saklar manual saklar manual ialah saklar yang berfungsi menghubung dan memutuskan arus listrik yang dilakukan secara langsung oleh orang. Sinelectronic.blogspot.com › artikel feb 20, 2012 · hubungan bintang delta pada motor listrik 3 fasa. Cara mudah dan simpel pengawatan rangkaian star delta yang biasa digunakan untuk motor listrik berkapasitas besar berfungsi. Kontaktor magnet menggunakan 2 rangkaian yaitu. Ke beban (motor 3 fasa). Kontaktor k2 itu star lebih kecil spesifikasinya. Dalam rangkaian daya star delta manual maupun automatis itu sama jadi komponen kontaktor untuk star delta dengan motor 10a. Terdapat berbagai sistem rangkaian motor starter yang digunakan untuk mengoperasikan elektro motor dengan tujuan untuk mengurangi lonjakan arus starting yang sangat tinggi. Tutorial membuat rangkaian control dan rangkaian daya kontaktor di ekts.

Yang membedakan dari rangkaian star delta manual ini hanyalah pada penggunaan dol (on off) relay. Tutorial membuat rangkaian control dan rangkaian daya kontaktor di ekts. Lebih dari itu, alat seperti itu besar dan sulit. Terdapat berbagai sistem rangkaian motor starter yang digunakan untuk mengoperasikan elektro motor dengan tujuan untuk mengurangi lonjakan arus starting yang sangat tinggi. Rangkaian kontrol motor star delta otomatis dengan timer blog edukasi.

Rangkaian Star Delta Manual Motor Listrik Induksi 3 Fasa
Rangkaian Star Delta Manual Motor Listrik Induksi 3 Fasa from akhdanazizan.com
Rangkaian kontaktor star delta manual. Rangkaian star delta adalah rangkaian instalasi motor dengan sambungan bintang segitiga (y∆), atau lebih dikenal lalu apa hubungannya rumus diatas dengan rangkaian star delta?? Rangkaian star delta manual atau otomatis sebenarnya sama saja tergantung kebutuhan. Fuse f1 berfungsi mengamankan jika terjadi hubungsingkat pada rangkaian motor. Prinsip kerja rangkaian star delta manual ini, sama dengan prinsip kerja rangkaian star delta automatis dengan timer (tdr) yang umum ditemui,. Cara mudah dan simpel pengawatan rangkaian star delta yang biasa digunakan untuk motor listrik berkapasitas besar berfungsi. Rangkaian kontrol motor star delta otomatis dengan timer blog edukasi. Apa putaran motor.y yg berbeda.

Rangkaian sederhana dengan menggunakan kontaktor magnet yaitu mengontrol sebuah motor listrik.

Rangkaian star delta adalah rangkaian instalasi motor dengan sambungan bintang segitiga (y∆), atau lebih dikenal lalu apa hubungannya rumus diatas dengan rangkaian star delta?? Star delta manual dan yang dimaksud dengan rangkaian star delta manual ialah dalam mengubah perubahan star ke deltanya kita harus menggunakan sebuah tombol lagi untuk membuat rangkaian star delta manual dan otomatis motor 3 phase. Simulasi menghidupkan kontaktor magnet подробнее. Bedanya jika ingin proses yang instan cukup tekan sekali 3 buah kontaktor magnet yang masing masing berfungsi sebagai kontaktor utama (ku), kontaktor untuk hubungan star (star) dan kontaktor. Tutorial membuat rangkaian control dan rangkaian daya kontaktor di ekts. Rangkaian kontaktor star delta manual. Termasuk perubahan kontak no nc nya. Rangkaian ini lebih banyak menggunakan 3 konektor/ kontaktor dan sebuah timer. Spesifikasi kontaktor magnet yang harus diperhatikan adalah kemampuan daya kontaktor ditulis dengan demikian dari segi keamanan dan kepraktisan, penggunaan kontaktor magnet jauh lebih pada penangan arus besar atau tegangan tinggi, sulit untuk membangun alat manual yang cocok. Jika tombol s2 ditekan, maka kontaktor k1 dan k2 bekerja maka lampu indikator h1 menyala dan mengunci sekaligus memberi tegangan pada kontaktor k2 dan lampu indikator h2 anda baru saja membaca artikel yang berkategori elektician dengan judul kontaktor magnet rangkaian star delta. Rangkaian star delta ini diawali dengan hubung star terlebih dahulu, setelah itu baru terhubung delta. Terdapat berbagai sistem rangkaian motor starter yang digunakan untuk mengoperasikan elektro motor dengan tujuan untuk mengurangi lonjakan arus starting yang sangat tinggi. Penggambarannya sebagai berikut gambar diatas adalah gambar wiring diagram star delta yang merupakan perpaduan antara interlock kontaktor dan fungsi no dan nc dari timer.

Terdapat berbagai sistem rangkaian motor starter yang digunakan untuk mengoperasikan elektro motor dengan tujuan untuk mengurangi lonjakan arus starting yang sangat tinggi. Prinsip kerja rangkaian star delta manual ini, sama dengan prinsip kerja rangkaian star delta automatis dengan timer (tdr) yang umum ditemui,. Star delta manual dan yang dimaksud dengan rangkaian star delta manual ialah dalam mengubah perubahan star ke deltanya kita harus menggunakan sebuah tombol lagi untuk membuat rangkaian star delta manual dan otomatis motor 3 phase. Jika tombol s2 ditekan, maka kontaktor k1 dan k2 bekerja maka lampu indikator h1 menyala dan mengunci sekaligus memberi tegangan pada kontaktor k2 dan lampu indikator h2 anda baru saja membaca artikel yang berkategori elektician dengan judul kontaktor magnet rangkaian star delta. Kontaktor k2 itu star lebih kecil spesifikasinya.

Ed 5924 Wiring Diagram Star Delta Schneider Wiring Diagram
Ed 5924 Wiring Diagram Star Delta Schneider Wiring Diagram from static-cdn.imageservice.cloud
Timer sendiri berfungsi untuk mensetting waktu perubahan antara rangkaian star ke rangkaian delta, waktunya. Apa putaran motor.y yg berbeda. Kontaktor magnet adalah komponen yang digunakan untuk keperluan pembuatan rangkaian kontrol motor sejarahnya arus 3 fasa ini di putus sambungkan oleh tpdt, yaitu sebuah saklar manual yang memiliki dalam sistem rangkaian dengan menggunakan kontaktor magnet, kita tidak perlu repot. Penggambarannya sebagai berikut gambar diatas adalah gambar wiring diagram star delta yang merupakan perpaduan antara interlock kontaktor dan fungsi no dan nc dari timer. Star delta manual dan yang dimaksud dengan rangkaian star delta manual ialah dalam mengubah perubahan star ke deltanya kita harus menggunakan sebuah tombol lagi untuk membuat rangkaian star delta manual dan otomatis motor 3 phase. Yang membedakan dari rangkaian star delta manual ini hanyalah pada penggunaan dol (on off) relay. Kontaktor magnet menggunakan 2 rangkaian yaitu. Simulasi menghidupkan kontaktor magnet подробнее.

Prinsip kerja rangkaian star delta manual ini, sama dengan prinsip kerja rangkaian star delta automatis dengan timer (tdr) yang umum pada gambar yang ada menggunakan relay 11 pin agar bisa menggunakan 3 buah no nc untuk mengamankan rangkaian kontaktor dari hubung singkat.

Star delta manual calculation contactor and olrfull description. Wiring diagram rangkaian star delta have an image from the other.wiring diagram rangkaian star delta it also will feature a picture of a sort that may be seen in the gallery of. Rangkaian menjalankan beban menggunakan kontaktor magnet. Rangkaian kontrol motor star delta otomatis dengan timer blog edukasi. Rangkaian star delta auto manual all of life. Menentukan main kontaktor (delta) dan star diketahui spesifikasi motor adalah 5 kw atau 10a. Dalam rangkaian daya star delta manual maupun automatis itu sama jadi komponen kontaktor untuk star delta dengan motor 10a. Rangkaian star delta manual atau otomatis sebenarnya sama saja tergantung kebutuhan. Timer sendiri berfungsi untuk mensetting waktu perubahan antara rangkaian star ke rangkaian delta, waktunya. Star delta manual dan yang dimaksud dengan rangkaian star delta manual ialah dalam mengubah perubahan star ke deltanya kita harus menggunakan sebuah tombol lagi untuk membuat rangkaian star delta manual dan otomatis motor 3 phase. Prinsip kerja rangkaian star delta manual ini, sama dengan prinsip kerja rangkaian star delta automatis dengan timer (tdr) yang umum pada gambar yang ada menggunakan relay 11 pin agar bisa menggunakan 3 buah no nc untuk mengamankan rangkaian kontaktor dari hubung singkat. Termasuk perubahan kontak no nc nya. Yang membedakan dari rangkaian star delta manual ini hanyalah pada penggunaan dol (on off) relay.

Post a Comment for "Rangkaian Kontaktor Magnet Star Delta Manual ~ 15 Star Delta Ideas Electrical Diagram Electrical Circuit Diagram Circuit Diagram"